
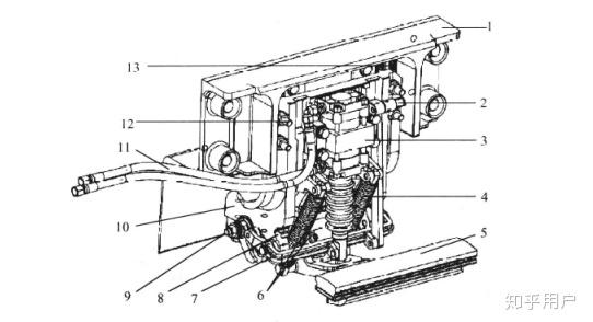
金融界2025年8月8日音书,邦度常识产权局讯息显示,中车株洲电力机车有限公司赢得一项名为“单滑板受电弓弓头拼装机闭及轨道车辆”的专利,授权布告号CN117325656B,申请日期为2023年10月。
天眼查原料显示,中车株洲电力机车有限公司,创设于2005年,位于株洲市,是一家以从事铁道、船舶、航空航天和其他运输装备筑设业为主的企业。企业注册资金561392.678493万黎民币。通过天眼查大数据阐明,中车株洲电力机车有限公司共对外投资了39家企业,插手招投标项目3458次,产业线条,其它企业还具有行政许可222个。